行業資訊
吉林省工程勘察設計收費導則(2022版)》
來源:吉林省勘察設計協會 建筑時報
為進一步維護公平有序的市場環境,引導勘察設計市場健康發展,近日,吉林省工程勘察設計行業協會發布地方工程勘察設計收費導則,對工程勘察、建筑工程、全過程工程咨詢、市政工程設計收費進行規定。
吉林省勘察設計協會通過對各地市勘察設計服務成本要素信息進行統計、分析及研究,在組織會員單位充分研討的基礎上,結合該省市級情況,對《吉林省建筑工程勘察設計收費指導價(試行)》予以修編,形成了《吉林省工程勘察設計收費導則》。
通過對比《工程設計收費標準2002年版》,有五大主要變化:
一是發布主體不同,2002版本是由國家發展計劃委員會和建設部聯合發布的,新版《導則》則是由吉林省勘察設計協會發布的,效力上不可同日而語。但就實際執行情況而言,原標準的執行也是打折扣的,而協會對行業的影響力近年來逐步加大,從執行預期上看,兩者不會有太大差距。
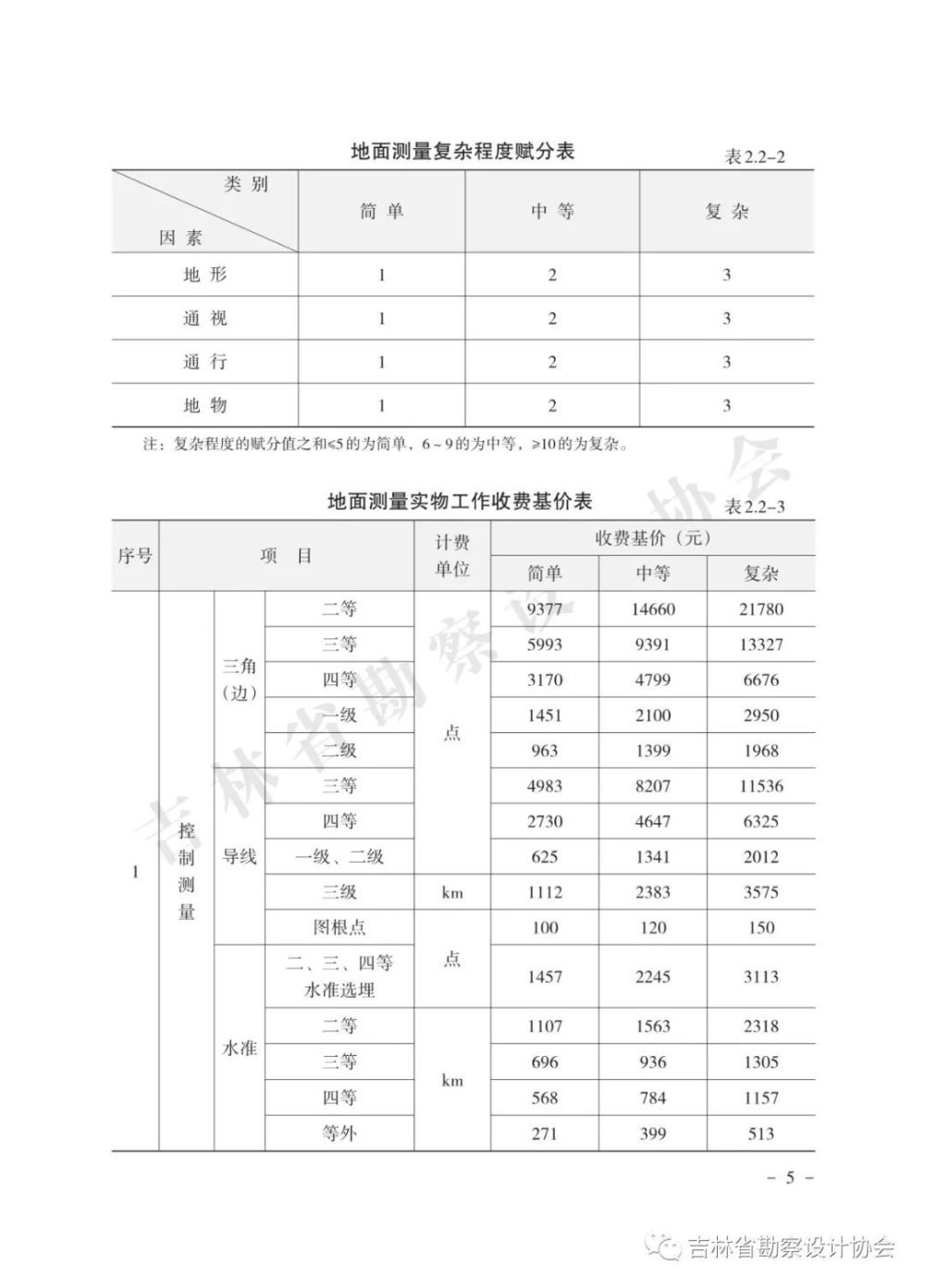
二是規定范圍不同,2002版本在收費基價規定上未對專業作細致分類,對建筑市政工程、交通運輸工程、水利電力工程、石油化工工程等七個專業在基價上作統一規定;而此版《導則》對工程勘察、建筑工程、全過程工程咨詢、市政工程設計收費則根據專業特點分別作不同規定。相比2002版本,建筑工程在200萬元計費額檔上收費基價上調至10.4萬元,同比上浮15.6%,在10000萬元計費額檔上收費基價上調至335.3萬元,同比上浮比率下降至10%,20000萬元計費額檔上同比上浮比率下降至5%;而市政工程收費基價上浮比率更高,在25.6%到15%不等。
三是增加大量專項設計修正。隨著勘察設計行業發展,設計內容也越來越豐富,在此版《導則》里,建筑工程充分考慮各項新增設計服務內容,包括綠色建筑設計、BIM技術設計、預制裝配式設計、木結構設計、改擴建、古建筑、建筑智能化設計、幕墻設計、夜景照明設計、室外綜合管網設計、手術室、ICU凈化及裝修設計、物流系統設計、醫療氣體專項設計、海綿城市設計等19項內容,設計服務包括以上內容的將在收費基價基礎上繼續上調價格。
四是工程復雜程度調整系數上調。2002版本工程復雜調整系數根據I、II、III級分別為0.85、1.0、1.15,在此版《導則》中則相應上調至1.0、1.15、1.3。值得注意的是,新的《導則》中對工程復雜程度的定義有所降低,可以理解為在新的技術條件下,原本較為復雜的工程在新時期只能算作一般工程。
五是增加全過程工程咨詢專篇。全過程工程咨詢作為近年來新興的工程模式,其工作價值需要被重新審視與考量,在計費方法上與傳統設計也有所區別,是按項目管理酬金疊加各專業咨詢服務酬金再增加相應統籌管理費用的方式計取。
新版《導則》前沿說明:低于本《導則》規定的價格20%的報價視為價格異常,存在較大質量安全風險。協會將定期予以曝光并建議建設行政主管部門加強對該項目的質量監管,將勘察設計單位列為質量專項檢查重點單位。由此可見,盡管《導則》在編制上充分研判了當下實際情況,但如何保證落地執行才是推動行業健康發展關鍵所在。
關于印發《吉林省工程勘察設計收費導則(2022版)》的通知
吉勘設協〔2022〕15號
各勘察設計單位:
為貫徹落實省住建廳《關于推進勘察設計行業高質量發展的指導意見》(吉建辦〔2022〕66號)文件精神,加強行業自律,維護健康市場秩序,打造公平有序的競爭環境,在業務主管部門的指導下,協會組織相關專家,依據住建部《關于推進建筑業發展和改革的若干意見》(建市〔2014〕92號)、發改委《關于進一步放開建設項目專業服務價格的通知》(發改價格〔2015〕299號)和《工程勘察設計收費標準》(計價格〔2002〕10號)等文件,對《吉林省建筑工程勘察設計收費指導價(試行)》(吉勘設協字〔2016〕10號)予以修編,形成《吉林省工程勘察設計收費導則(2022版)》,現印發給你們,請參照執行。
附件:吉林省工程勘察設計收費導則(2022版)
吉林省勘察設計協會
2022年12月9日












































































































更多相關信息 還可關注中鐵城際公眾號矩陣 掃一掃下方二維碼即可關注

文章推薦
- 全域土地綜合整治如何通過優化“三生空間”(生產、生活、生態)來服務“百千萬工程”
- 如何加強產業導入與運營管理,將整治后的土地資源優勢轉化為產業優勢和經濟優勢,避免土地再度閑置或低效利
- 如何通過建設用地整理,盤活農村存量、低效建設用地,并規范節余指標的產生與流轉?
- 如何將產業導入作為整治的“主引擎”,構建一二三產融合發展的產業空間布局?
- 在全域土地整治的產業導入過程中,如何設計“資源變資產、資產變資本”的轉化路徑和全生命周期管理機制?
- 在編制全域土地整治方案時,應如何科學評估和劃定整治片區,并確定差異化的重點整治方向?
- 全域土地綜合整治項目選址要求與標準
- 全域土地綜合整治中的“F+EPC+O”模式詳解
- 中鐵城際全域土地整治從“策劃”到“落地”的全流程服務
- 全域綜合整治項目中農業用地整治方案




